




+15
฿ 0
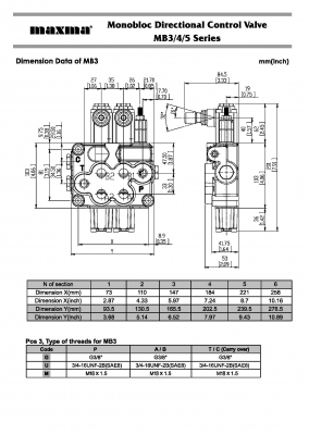
คอนโทรลไฮโดรลิค maxma (5 แกน 4 หุน) www.maxma.com.tw ผู้ผลิตสินค้า,คุณภาพสูงจากไต้หวัน
รายละเอียดสินค้า
ข้อมูลเพิ่มเติม
คอนโทรลไฮโดรลิค 1-6 แกน ขนาด 4 หุน จากไต้หวัน maxma
- พร้อมรีลีฟวาล์ว
- วัสดุเหล็กความแข็งแรงสูง
- มี CHECK VALVES ในตัว
- มีประสิทธิภาพสูง
- น้ำหนักเบา เล็กกระทัดรัด
- ติดตั้งง่าย
ใช้งานลื่นไหลไม่สะดุด คุ้มค่า ราคาประหยัด
สินค้านำเข้าจากประเทศไต้หวัน <a href="www.maxma.com.tw" target="_blank" class="url-item">www.maxma.com.tw</a> มั่นใจกับคุณภาพ คุ้มราคา
**ระวังสินค้าเลียนแบบ
**บริการจัดส่งทางไปรณีย์
สนใจติดต่อได้ที่..
xxx-xxx-xx65
แสดง
-6 , 081-350 4380, 089-143 8255
แก้ไขล่าสุดเมื่อ : 13/8/56สร้างเมื่อ : 13/8/56เลขที่ประกาศ :ZMlgY1MERb














