




+11
฿ 0
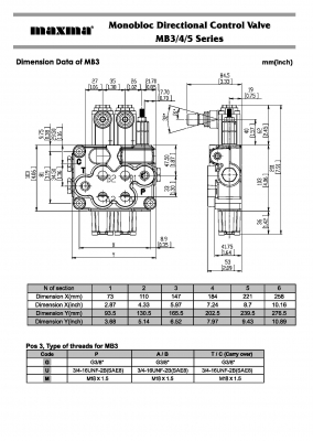
คอนโทรลไฮโดรลิค maxma (4แกน 4 หุน) www.maxma.com.tw ผู้ผลิตสินค้า,คุณภาพสูงจากไต้หวัน
รายละเอียดสินค้า
หมวดหมู่หลัก
ประเภทเครื่องจักรกลการเกษตร
ปีที่ผลิต-
-
จังหวัดที่ตั้งสินค้า
ข้อมูลเพิ่มเติม
คอนโทรลไฮโดรลิค 1-6 แกน ขนาด 4 หุน จากไต้หวัน maxma
- พร้อมรีลีฟวาล์ว
- วัสดุเหล็กความแข็งแรงสูง
- มี CHECK VALVES ในตัว
- มีประสิทธิภาพสูง
- น้ำหนักเบา เล็กกระทัดรัด
- ติดตั้งง่าย
ใช้งานลื่นไหลไม่สะดุด คุ้มค่า ราคาประหยัด
สนใจติดต่อได้ที่..
xxx-xxx-xx65
แสดง
-6 , 081-350 4380, 089-143 8255
**ระวังสินค้าเลียนแบบ
**บริการจัดส่งทางไปรณีย์
แก้ไขล่าสุดเมื่อ : 14/10/56สร้างเมื่อ : 14/10/56เลขที่ประกาศ :q5NxVJG4Lb










